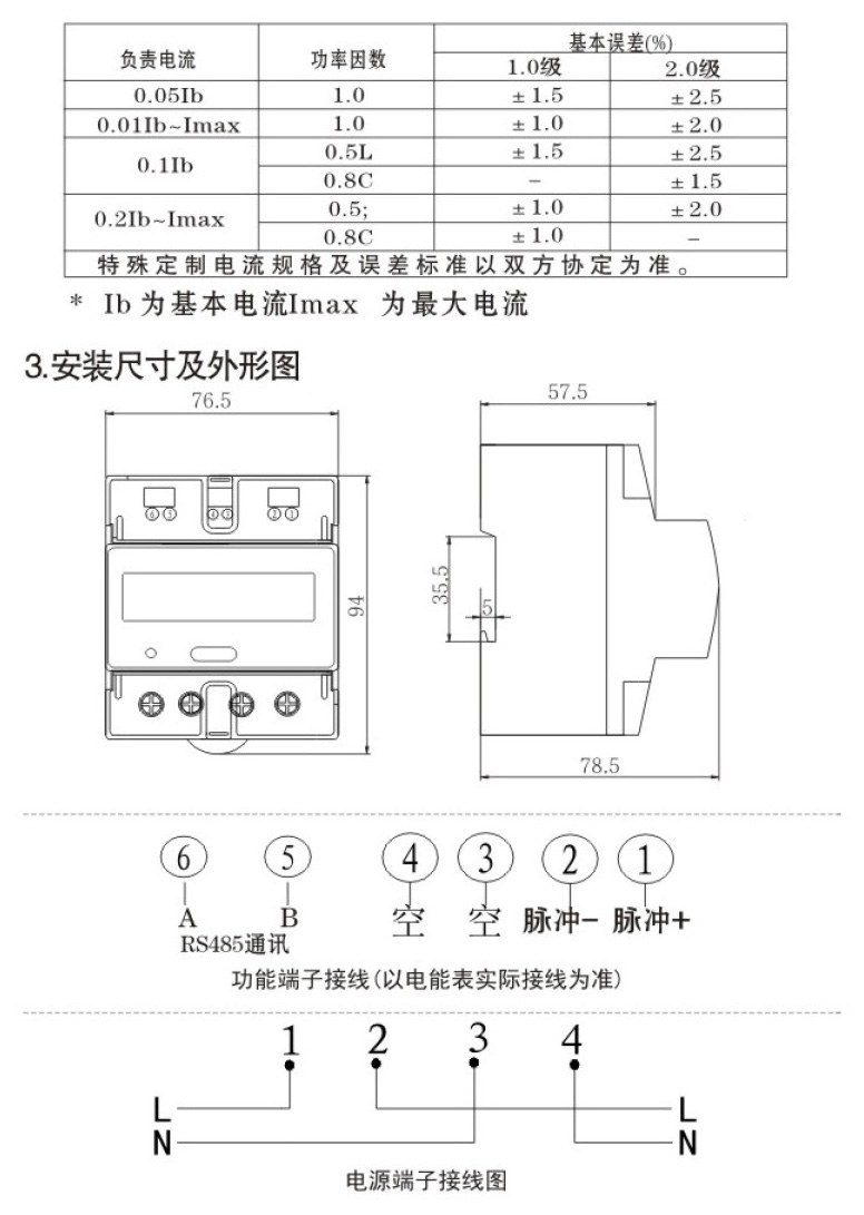
RW888E-4SY-R三相四线电子式导轨表

联系我们

所属分类

  • 详细信息